建筑*活给水系统是供居住建筑、公共建筑与工业建筑饮用、烹调、盥洗、洗涤、沐浴、浇洒和冲洗等*活用水的给水系统。

按供水不同水质要求分有*活饮用水给水系统和杂用水给水系统,按供水方式可以分为有水箱和无水箱供水。建筑物内无水箱供水有下列型式:外网直接供水,用泵(普通泵、变频泵)供水、用泵-气压罐联合供水;有水箱供水有下列型式:单设水箱供水,水泵-水箱联合供水。
一、市政管网直接供水

该种供水方式采用与外部管网直接相连,利用外网水压直接供水,一般适用于单层和多层建筑,高层建筑中下面几层,外网能满足要求的各用水点。
本方案供水系统简单,充分利用外网水压,水质较好,故设计中应优先选用。当外网压力过高,某些点压力超过允许值时,应采取减压措施。
二、水泵叠压供水

该种供水方式由水泵直接从外网抽水供给,一般适用于多层建筑,当外网水压不足但流量能满足要求,并允许水泵直接从外网抽水时,可采用叠压供水装置,但应经当地供水行政主管部门及供水部门批准认可。
三、设*活水池变频加压供水

该种供水方式由水泵直接从外网抽水供给,一般适用于多层建筑,当外网水压不足但流量能满足要求,可采用设吸水井的方式;当外网流量、压力均不足,或楼内不允许停水,且只有一条进水管时,采用调节池加压供水。
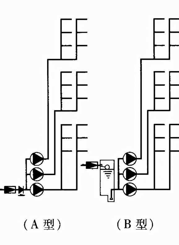
四、分区并联供水

该种供水方式采用分区供水,各区设泵直接从外网抽水(A型)或通过调节池(或吸水井)抽水(B型)升压供水。
一般适用于高度不足 100m的高层建筑,高区泵扬程高,输水管的材质及接口要求比较高,事故只涉及一个区,不会造成全楼停水。
五、分区串联供水

该种供水方式采用分区供水,用泵直接从外网抽水或通过调节池(吸水井)抽水。各区自成系统,每一区的各级提升泵应匹配,并联锁,使用时应先启动下一区泵,才启动上一区泵。各区应配有小气压罐和小流量稳压泵。一般适用于超过100m的高层建筑。楼层中间有设置泵房的可能,并有较强的维护管理能力。
事故只涉及一个区,不会造成全楼停水,管材及接口无需耐高压,泵的数量多,中间层需设泵房,要有较高的防震要求,自动控制要求比较高。
六、减压阀分区供水

该种供水方式采用分区供水,用泵直接从外网抽水或通过调节池(或吸水井)抽水升压供水,而下区采用减压阀减压供水。一般适用于高度不超过100m的高层建筑,并有较强的维护管理能力。
由于采用减压阀分区,减压阀必须有备用,当减压阀出现故障管网超压时,应有报警措施。输水管的材质及接口要求比较高。当水泵出事故时,则造成全楼停水,能量浪费,一般较少使用。
七、高位水箱-水泵联合供水

该种供水方式采用分区供水,分区设置高位水箱,各区有水泵与输水管输水至水箱,通过水箱供水。不允许全楼一起停水,一般用于不高于100m的高层建筑。
设置水箱,增加了供水的可靠性,防止了一旦停电,全楼立即停水的现象发*。但增加了结构负荷,水箱供水水质比较差,应采用防止二次污染的措施。
由于建筑物(群)情况各异、条件不同,供水可采用一种方式,也可采用多种方式组合(如下区直供、上区用泵升压供水、局部水箱供水、局部变频泵供水、局部并联、局部串联等)。管网可以是上行下给式,也可以是下行上给式等。所以工程中设计者应根据实际情况,在符合有关规定的前提下确定供水方案,力求以最简便的管路,经济、合理、安全地达到供水要求。


